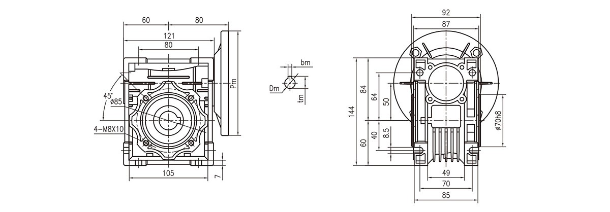
NMRV 50 käigukast on ühe suurusega tigukäigukasti NMRV seeria, kaugus tiguvõllist tiguülekande keskpunktini on 50 mm.
Omadused
1) Kvaliteetne alumiiniumisulamist valatud käigukasti maja
2) Suure täpsusega tiguülekanne ja tiguvõll, sujuv ülekanne
3) Vähem müra ja madalam temperatuuri tõus
4) Lihtne paigaldamine ja kõrge efektiivsus

Sellel on mitut tüüpi, NMRV50, NRV50, NMRV50FA, NMRV50FB, NMRV40VS, NMRV40 servomootori jaoks jne.


Peamiselt materjalid
|
Maja/äärik |
Alumiiniumisulam |
|
Ussivõll |
20CrMnTi |
|
Ussikäik |
Tinapronks, Alumiiniumpronks |
|
Õli |
Sünteetiline õli, Mineraalõli |
Üldine tehniline kuupäev
|
Suurus |
50 |
|
Kiiruse suhe |
5, 7.5, 10, 15, 20, 25, 30, 40, 50, 60, 80, 100 |
|
Mootori võimsus |
0,12-0,75 kW |
|
Väljundmoment |
29-81N.m |
|
Sisendäärik |
63B5, 71B5/B14, 80B5/B14 |
|
Kohandatud |
Väljundvõll, väljundäärik, spetsiaalne paigaldusasend |
Saate valida õiged esemed vastavalt allpool toodud mootoriääriku suurustele.






Meie eelised
- 2006. aastal asutatud tehas, millel on laialdased kogemused tootmises ja valmistamises.
- 10 000 ruutmeetrit standardset töökoda ja üle 40 tootmis- ja katseseadmete komplekti, mitte ainult CNC-treipingid, lihvimismasinad, freespingid, hammasrataste töötlemismasinad, koordinaatide mõõtmise masinad, valukojad ja koosteliinid.
- Tehnoloogiaosakonna ja kvaliteediosakonnaga, pakkudes OEM-teenust, mis põhineb ISO standardi haldamisel.
- Eksport enam kui 66 riiki ja piirkonda, mida kasutatakse laialdaselt mitmesugustes tööstusharudes, sealhulgas terasetööstuses, metallurgiatööstuses, tekstiilitööstuses, trükimasinates, puidutöötlemismasinates, keemiatööstuses, tõsteseadmetes, logistika- ja transpordiseadmetes, põllumajanduses ja pakendamisseadmetes jne.
- Meie eesmärk on luua kõige tõhusamad ja ökonoomsemad käigukastid, muutes JIUWEI-st ülemaailmse jõuülekandelahenduste eksperdi.
KKK
K: Mis on teie üldine värv?
V: Meie üldine värv on hall, sinine ja killune.
K: Kas saate teha spetsiaalset värvi?
V: Jah, meil on värvimisliin ja teeme teie klientidele kohandatud värvi.
K: teie tarneaja kohta?
V: Meil on piisavalt varuosasid, tavaliselt on ühe konteineri jaoks 30 päeva.
K: Mis on teie pakett?
V: Tavaliselt kasutame pappi ja kaubaalust.
K: Mis on teie tootmisvõimsus?
V: 20 000 ühikut reduktorit kuus
Kuum tags: nmrv 50 käigukast, Hiina nmrv 50 käigukasti tootjad, tarnijad, tehas